О товаре
Линейный фланцевый подшипник LMEK25-UU с двусторонним уплотнением для вала ∅25 мм. Применяется в прецизионных системах подачи, фрезерных станках и координатно-измерительных машинах.
Расшифровка артикула
- LME — линейный подшипник европейской размерности
- K — квадратный фланец для крепления без корпуса
- 25 — внутренний диаметр посадки на вал: 25 мм
- UU — двусторонние резиновые уплотнения (закрытое исполнение)
Полное обозначение: LMEK25-UU. Альтернативное обозначение по классификации NBS/ISB: KBK25PP.
Конструкция и устройство
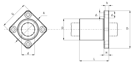
Подшипник состоит из закалённой стальной гильзы, полиамидного сепаратора с шести рядами шариков, квадратного фланца с четырьмя крепёжными отверстиями (∅ расположения — 51 мм) и двусторонних резиновых уплотнений (тип UU). Материал — высокоуглеродистая хромированная сталь.
Размерный ряд серии LMEK-UU
Ниже приведена таблица всех типоразмеров серии. Текущий товар выделен.
| Модель | d, мм | D, мм | L, мм | D1, мм | A (PCD), мм | H, мм | C, Н | C0, Н |
|---|---|---|---|---|---|---|---|---|
| LMEK8UU | 8 | 16 | 25 | 32 | 24 | 5 | 265 | 402 |
| LMEK12UU | 12 | 22 | 32 | 42 | 32 | 6 | 500 | 770 |
| LMEK16UU | 16 | 26 | 36 | 46 | 36 | 6 | 570 | 890 |
| LMEK20UU | 20 | 32 | 45 | 54 | 43 | 8 | 860 | 1370 |
| LMEK25UU | 25 | 40 | 58 | 62 | 51 | 8 | 980 | 1560 |
| LMEK30UU | 30 | 47 | 68 | 76 | 62 | 10 | 1560 | 2740 |
| LMEK40UU | 40 | 62 | 80 | 98 | 80 | 13 | 2150 | 4010 |
| LMEK50UU | 50 | 75 | 100 | 112 | 94 | 13 | 3820 | 7930 |
| LMEK60UU | 60 | 90 | 125 | 134 | 112 | 18 | 4700 | 9800 |
Технические параметры и условия эксплуатации
Подшипник работает по принципу рециркуляции шариков в 6 замкнутых дорожках качения. Динамическая грузоподъёмность составляет 980 Н, статическая — 1560 Н. Двустороннее резиновое уплотнение (UU) надёжно защищает рабочую зону от пыли, стружки и влаги. Рабочий диапазон температур: от −20°C до +80°C. Внутренний диаметр: 25 мм, наружный: 40 мм, длина: 58 мм. Толщина крепёжной площадки фланца: 8 мм, внешний диаметр площадки: 62 мм. Смазка — пластичная, закладывается при монтаже.
- Внутренний диаметр (d): 25 мм
- Наружный диаметр (D): 40 мм
- Длина (L): 58 мм
- Внешний диаметр крепёжной площадки (D1): 62 мм
- Диаметр расположения крепёжных отверстий (A): 51 мм
- Ширина держателя (P): 40 мм
- Толщина крепёжной площадки (H): 8 мм
- Количество рециркуляций (рядов шариков): 6
- Динамическая нагрузка (C): 980 Н
- Статическая нагрузка (C0): 1560 Н
- Рабочая температура: от −20°C до +80°C
- Материал: высокоуглеродистая хромированная сталь
- Уплотнение: двустороннее резиновое (тип UU)
Применяемость
Подшипник LMEK25-UU применяется в нагруженных системах линейного перемещения с валом ∅25 мм: оси подачи фрезерных станков, измерительные машины, системы автоматической подачи заготовок. Фланец с четырьмя крепёжными отверстиями обеспечивает надёжную фиксацию без люфтов. Закрытое двустороннее уплотнение защищает от СОЖ и мелкодисперсных загрязнений.
- Станки с ЧПУ (фрезерные, токарные, координатно-расточные)
- 3D-принтеры, плоттеры, лазерные граверы
- Промышленные роботы и манипуляторы
- Системы автоматической подачи и сортировки
- Медицинское и лабораторное оборудование
- Прецизионные измерительные машины (КИМ)
Аналоги
Подшипник LMEK25-UU (TECHNIX) является полным аналогом следующих изделий по ISO:
| Производитель | Обозначение аналога | Тип соответствия |
|---|---|---|
| NBS/ISB | KBK25PP | Полный аналог |
| INA | KBS2558PP | Полный аналог |
| SKF | LBAS25-2LS | Полный аналог |
| Samick | LMEK25UU | Полный аналог |
| THK | LME25UU | Полный аналог |
Часто задаваемые вопросы
- Как правильно установить LMEK25-UU?
Перед монтажом убедитесь, что вал имеет диаметр 25 мм с допуском h6/g6 и шероховатость не хуже Ra 0,4. Аккуратно надвигайте подшипник на вал без перекоса — не допускается ударный монтаж. Закрепите фланец к несущей плите четырьмя болтами с равномерной затяжкой. Перед вводом в эксплуатацию заложите в уплотнения небольшое количество пластичной смазки (литол-24 или аналог). - Как определить, что подшипник требует замены?
Признаки износа: появление осевого или радиального люфта, повышенный шум и вибрация при движении, затруднённый ход каретки, следы питтинга на дорожках качения или шариках. При обнаружении хотя бы одного из признаков рекомендуется плановая замена. Периодичность профилактического осмотра — каждые 500–1000 часов наработки. - Чем LMEK25-UU отличается от LMK25-LUU?
Модификация LUU — удлинённое исполнение того же диаметра. Увеличенная длина тела подшипника обеспечивает большее количество шариков в рабочей зоне, что повышает динамическую и статическую грузоподъёмность. Монтажные отверстия фланца идентичны, поэтому замена LMEK25-UU на LMK25-LUU не требует изменений в конструкции узла. - Совместим ли LMEK25-UU с аналогами других брендов (KBK, SKF, INA, NBS)?
Да. Серия LMEK-UU стандартизирована по ISO и полностью взаимозаменяема с KBK25PP (NBS/ISB), а также с аналогами INA, SKF и Samick. Все посадочные и присоединительные размеры идентичны — замена производится без доработки корпусных деталей. - Нужна ли дополнительная смазка при эксплуатации?
Подшипник поставляется с заводским количеством смазки. В нормальных условиях работы (без абразива и влаги) дополнительная смазка вносится каждые 500–800 часов. При работе в условиях загрязнения или повышенных нагрузок — каждые 200–300 часов. Рекомендуемые смазки: литол-24, ЦИАТИМ-201, Mobilux EP 2.
Службы доставки в ПВЗ:
- СДЭК
- Boxberry
- Яндекс Доставка
- DPD
Службы доставки курьером:
- Собственная служба доставки
- СДЭК
- Достависта
Подробнее о доставке транспортными компаниями:
1. Доставка через СДЭК
СДЭК – это удобная и быстрая доставка по всей России. Вы можете выбрать один из вариантов:
- Доставка до пункта выдачи – ваш заказ будет доставлен в ближайший к вам офис СДЭК, где его можно забрать в удобное время.- Курьерская доставка – заказ привезут прямо к вам домой или в офис.
Сроки доставки зависят от региона и рассчитываются индивидуально при оформлении заказа.*
2. Доставка транспортной компанией «Деловые Линии»
Если вам требуется перевозка крупногабаритного или тяжелого груза, мы рекомендуем транспортную компанию «Деловые Линии».
- Доставка возможна в большинство населенных пунктов России.- Вы можете выбрать удобный терминал для самовывоза или заказать адресную доставку.
Стоимость рассчитывается индивидуально в зависимости от веса, габаритов и региона.*
О самовывозе со склада
Вы можете самостоятельно забрать заказ в Санкт-Петербурге по адресу:
📍 Люботинский проспект, 5
Преимущества самовывоза:
✔️ Возможность проверить товар перед получением.
✔️ Отсутствие затрат на доставку.
✔️ Гибкий график выдачи.
✔️ Возможность оплаты заказа банковской картой при получении заказа.
Перед приездом на склад обязательно уточните наличие товара у менеджера.
Доставка осуществляется в пределах территорий Российской Федерации и Республики Беларусь.
*обращаем Ваше внимание, что стоимость доставки рассчитывается согласно тарификациям транспортных компаний и курьерских служб.
Линейные подшипники обеспечивают ровное и плавное перемещение деталей по прямой, что важно для станков, 3D-принтеров, манипуляторов и автоматических линий. От правильного выбора детали зависит срок службы оборудования и качество работы узлов при серийном производстве.
В этом материале разберем, как устроены линейные подшипники, чем отличаются между собой и что учитывать при выборе модели под задачи производства.
При установке линейных подшипников исполнители нередко допускают ошибки, которые становятся причиной быстрого выхода из строя этих узлов. В предлагаемом обзоре рассматривается, как предупредить погрешности монтажа, с учетом состава наиболее целесообразных мер с точки зрения технической реализации и экономической целесообразности применяемых технологий.

