Каретка RGH65HAZAP TECHNIX — роликовая усиленная каретка для направляющих 65 мм
Каретка RGH65HAZAP TECHNIX используется в самых тяжёлых промышленных условиях. Высокая каретка под сверхтяжёлую нагрузку (H), с креплением сверху (A), средним преднатягом (ZA) и прецизионной точностью (P). Подходит для систем, где требуется максимальная устойчивость и точность перемещения.
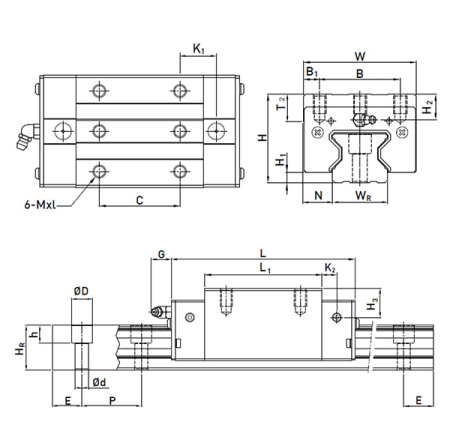
Каретка снабжена маслёнкой, торцевыми уплотнителями и роликовой системой. Используется в фрезерных, токарных, координатных установках и ЧПУ.
Расшифровка артикула RGH65HAZAP:
RG — роликовая серия;
H — высокая каретка;
65 — ширина направляющей;
H — сверхтяжёлая нагрузка;
A — верхнее крепление;
ZA — средний преднатяг;
P — точность прецизионная.
Применение кареток серии RG:
- тяжелое машиностроение;
- металлообрабатывающие станки и системы ЧПУ;
- автоматизированные сборочные линии;
- прессовое оборудование;
- роботизированные системы;
- оборудование для обработки материалов (резка, фрезерование, сверление).
Технические характеристики:
- Номинальные нагрузки (динамические/статические): от 17,2 до 275,2 кН в зависимости от модели.
- Тип направляющих: рельсовые направляющие с рециркуляцией роликов.
- Материал направляющих: высокоуглеродистая сталь с термической обработкой для повышения износостойкости.
- Температурный диапазон эксплуатации: от -10°C до +80°C.
- Максимальная скорость перемещения: до 5 м/с.
Преимущества использования кареток RG:
- максимальная жесткость и устойчивость к деформации благодаря роликам;
- равномерное распределение нагрузки и высокая грузоподъемность;
- плавность хода и точность перемещения даже при работе под нагрузками;
- долговечность и надежность в тяжелых промышленных условиях.
Службы доставки в ПВЗ:
- СДЭК
- Boxberry
- Яндекс Доставка
- DPD
Службы доставки курьером:
- Собственная служба доставки
- СДЭК
- Достависта
Подробнее о доставке транспортными компаниями:
1. Доставка через СДЭК
СДЭК – это удобная и быстрая доставка по всей России. Вы можете выбрать один из вариантов:
- Доставка до пункта выдачи – ваш заказ будет доставлен в ближайший к вам офис СДЭК, где его можно забрать в удобное время.- Курьерская доставка – заказ привезут прямо к вам домой или в офис.
Сроки доставки зависят от региона и рассчитываются индивидуально при оформлении заказа.*
2. Доставка транспортной компанией «Деловые Линии»
Если вам требуется перевозка крупногабаритного или тяжелого груза, мы рекомендуем транспортную компанию «Деловые Линии».
- Доставка возможна в большинство населенных пунктов России.- Вы можете выбрать удобный терминал для самовывоза или заказать адресную доставку.
Стоимость рассчитывается индивидуально в зависимости от веса, габаритов и региона.*
О самовывозе со склада
Вы можете самостоятельно забрать заказ в Санкт-Петербурге по адресу:
📍 Люботинский проспект, 5
Преимущества самовывоза:
✔️ Возможность проверить товар перед получением.
✔️ Отсутствие затрат на доставку.
✔️ Гибкий график выдачи.
✔️ Возможность оплаты заказа банковской картой при получении заказа.
Перед приездом на склад обязательно уточните наличие товара у менеджера.
Доставка осуществляется в пределах территорий Российской Федерации и Республики Беларусь.
*обращаем Ваше внимание, что стоимость доставки рассчитывается согласно тарификациям транспортных компаний и курьерских служб.

