Линейная каретка HGL30HAZ0H TECHNIX — низкопрофильный блок направляющей для промышленных систем
HGL30HAZ0H TECHNIX — это HGL каретка серии HG от TECHNIX, предназначенная для направляющих шириной 30 мм. Низкопрофильный корпус (l) обеспечивает повышенную жёсткость и устойчивость к нагрузкам. Модель рассчитана на сверхтяжёлую нагрузку, а её конструкция с четырьмя рядами шариков под углом 45° гарантирует равномерное распределение усилий и плавный ход.
Каретка крепится сверху, преднатяг — Z0, высокий класс точности. Корпус выполнен из закалённой стали с прецизионной шлифовкой направляющих поверхностей, а смазочные каналы позволяют легко обслуживать блок без демонтажа.
Использование линейной каретки HGL30HAZ0H TECHNIX повышает точность позиционирования, снижает износ направляющих и продлевает срок службы оборудования. Каретка полностью совместима с рельсами TECHNIX соответствующего профиля и является полным аналогом продукции Hiwin, что позволяет заменить существующую систему без дополнительных доработок.
Модель подходит для ЧПУ-станков, портальных машин, автоматизированных линий, фрезерных установок, а также других промышленных механизмов, где важны надёжность, высокая нагрузочная способность и долговечность. Купить линейную каретку этой модели — значит обеспечить стабильную и точную работу производственных процессов.
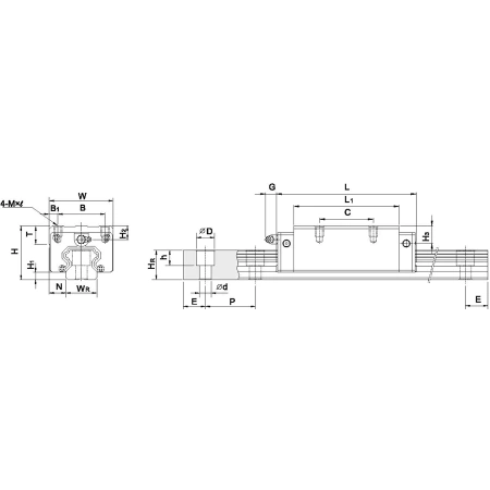
Расшифровка артикула HGL30HAZ0HTECHNIX:
HG — серия направляющих;
L — тип корпуса (низкопрофильный);
30 — типоразмер, ширина направляющей;
H — сверхтяжёлая нагрузка;
A — крепление сверху;
Z0 — преднатяг нулевого класса;
H — класс точности высокий.
Применение кареток серии HG:
- станки с числовым программным управлением (ЧПУ);
- роботизированные системы и манипуляторы;
- автоматизированные сборочные линии;
- оборудование для обработки материалов (металлообработка, деревообработка);
- лазерные и плазменные режущие станки;
- медицинское оборудование, где требуется высокая точность позиционирования.
Технические характеристики:
- Номинальные нагрузки (динамические/статические): от 12,3 до 208,8 кН в зависимости от модели.
- Скорость перемещения: до 10 м/с.
- Температурный диапазон эксплуатации: от -10°C до +80°C (с возможностью адаптации до -58°C при специальном заказе).
- Материал направляющих: высокоуглеродистая сталь с термообработкой.
- Тип смазки: многоразовая, с возможностью подводки смазочного материала через отверстия в корпусе каретки.
Службы доставки в ПВЗ:
- СДЭК
- Boxberry
- Яндекс Доставка
- DPD
Службы доставки курьером:
- Собственная служба доставки
- СДЭК
- Достависта
Подробнее о доставке транспортными компаниями:
1. Доставка через СДЭК
СДЭК – это удобная и быстрая доставка по всей России. Вы можете выбрать один из вариантов:
- Доставка до пункта выдачи – ваш заказ будет доставлен в ближайший к вам офис СДЭК, где его можно забрать в удобное время.- Курьерская доставка – заказ привезут прямо к вам домой или в офис.
Сроки доставки зависят от региона и рассчитываются индивидуально при оформлении заказа.*
2. Доставка транспортной компанией «Деловые Линии»
Если вам требуется перевозка крупногабаритного или тяжелого груза, мы рекомендуем транспортную компанию «Деловые Линии».
- Доставка возможна в большинство населенных пунктов России.- Вы можете выбрать удобный терминал для самовывоза или заказать адресную доставку.
Стоимость рассчитывается индивидуально в зависимости от веса, габаритов и региона.*
О самовывозе со склада
Вы можете самостоятельно забрать заказ в Санкт-Петербурге по адресу:
📍 Люботинский проспект, 5
Преимущества самовывоза:
✔️ Возможность проверить товар перед получением.
✔️ Отсутствие затрат на доставку.
✔️ Гибкий график выдачи.
✔️ Возможность оплаты заказа банковской картой при получении заказа.
Перед приездом на склад обязательно уточните наличие товара у менеджера.
Доставка осуществляется в пределах территорий Российской Федерации и Республики Беларусь.
*обращаем Ваше внимание, что стоимость доставки рассчитывается согласно тарификациям транспортных компаний и курьерских служб.

