Каретка MGN15CH TECHNIX — компактная каретка с верхним способом крепления
Ширина направляющей составляет 15 мм — оптимальный вариант для средненагруженных устройств, включая 3D-принтеры, настольные фрезерные станки и координатные столы.
Используемая четырёхрядная система шариков с контактным углом 45° обеспечивает стабильную опору и высокую жёсткость конструкции. Нагрузка распределяется равномерно, благодаря чему каретка устойчива к перекосам и сохраняет плавность хода даже при резких перемещениях. Класс точности H делает её надёжной основой в системах позиционирования.
Особенно эффективна каретка MGN15CH в рамках разработки и серийного производства 3D-принтеров нового поколения. Она обеспечивает плавную работу осей и точную передачу команд от шагового двигателя к подвижному узлу. Благодаря компактным размерам и устойчивости к вибрации, блок способствует повышению качества печати и надёжности всего устройства.
Конструкция компактного опорного блока TECHNIX гарантирует длительный срок службы при минимальных требованиях к обслуживанию.
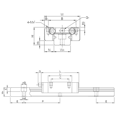
Расшифровка артикула MGN15CH:
- MG — серия компактных линейных направляющих TECHNIX;
- N — тип каретки (узкая);
- 15 — ширина направляющей, мм;
- C — стандартная;
- H — класс точности высокий.
Применение кареток серии MGN:
- медицинское оборудование (диагностические приборы, хирургические роботы);
- лазерные гравировальные машины;
- 3D-принтеры и оборудование для аддитивного производства;
- роботизированные и автоматизированные системы;
- оптические приборы и системы позиционирования;
- микроэлектронное оборудование;
- оборудование для лабораторных исследований.
Технические характеристики:
- Номинальные нагрузки (динамические/статические): от 0,8 до 8,8 кН в зависимости от модели.
- Ширина каретки: от 7 мм до 15 мм (в зависимости от модели).
- Тип направляющих: рельсовые направляющие с рециркуляцией шариков.
- Материал: нержавеющая сталь.
- Температурный диапазон эксплуатации: от -20°C до +80°C.
- Тип смазки: встроенная система смазки с возможностью дополнительной смазки для увеличения срока службы.
Преимущества использования кареток MGN:
- прецизионное управление движением в ограниченных пространствах;
- долговечность и минимальные требования к обслуживанию;
- низкий коэффициент трения и плавность хода;
- простота интеграции в различные системы благодаря компактным размерам.
Службы доставки в ПВЗ:
- СДЭК
- Boxberry
- Яндекс Доставка
- DPD
Службы доставки курьером:
- Собственная служба доставки
- СДЭК
- Достависта
Подробнее о доставке транспортными компаниями:
1. Доставка через СДЭК
СДЭК – это удобная и быстрая доставка по всей России. Вы можете выбрать один из вариантов:
- Доставка до пункта выдачи – ваш заказ будет доставлен в ближайший к вам офис СДЭК, где его можно забрать в удобное время.- Курьерская доставка – заказ привезут прямо к вам домой или в офис.
Сроки доставки зависят от региона и рассчитываются индивидуально при оформлении заказа.*
2. Доставка транспортной компанией «Деловые Линии»
Если вам требуется перевозка крупногабаритного или тяжелого груза, мы рекомендуем транспортную компанию «Деловые Линии».
- Доставка возможна в большинство населенных пунктов России.- Вы можете выбрать удобный терминал для самовывоза или заказать адресную доставку.
Стоимость рассчитывается индивидуально в зависимости от веса, габаритов и региона.*
О самовывозе со склада
Вы можете самостоятельно забрать заказ в Санкт-Петербурге по адресу:
📍 Люботинский проспект, 5
Преимущества самовывоза:
✔️ Возможность проверить товар перед получением.
✔️ Отсутствие затрат на доставку.
✔️ Гибкий график выдачи.
Перед приездом на склад обязательно уточните наличие товара у менеджера.
Доставка осуществляется в пределах территорий Российской Федерации и Республики Беларусь.
*обращаем Ваше внимание, что стоимость доставки рассчитывается согласно тарификациям транспортных компаний и курьерских служб.
