Каретка EGW30SCZAH (низкопрофильная) TECHNIX — это фланцевая линейная каретка, предназначенная для работы в системах линейного перемещения с высоким уровнем нагрузки и требованиями к точности. Эта модель идеально подходит для использования в сложных производственных и автоматизированных линиях, станках с ЧПУ, а также в роботизированных и высокоточных установках, где важны высокая жёсткость, стабильность и долговечность.
Низкопрофильная каретка линейного перемещения EGW30SCZAH выполнена с фланцевым (широким) корпусом (W), что позволяет улучшить стабильность при установке и повышает жёсткость системы. Модель рассчитана на среднюю нагрузку (S), что делает её эффективной при умеренных динамических и статических нагрузках. Преднатяг ZA и класс точности H обеспечивают точное позиционирование и стабильное движение без люфтов.
Каретка оснащена универсальным типом крепления (C), что позволяет использовать её в различных конструкциях, как сверху, так и снизу. Эта гибкость установки делает модель универсальной для применения в ряде промышленных решений. Устойчивость к износу и высокой нагрузке гарантирована благодаря использованию высококачественных материалов и точной обработке всех компонентов.
Низкопрофильный блок линейного перемещения EGW30SCZAH оснащён герметичными уплотнителями, которые предотвращают попадание пыли и других загрязнителей, а также системой подачи смазки для бесперебойной работы и долгосрочной эксплуатации. Эти характеристики делают каретку идеальной для работы в условиях повышенной эксплуатации.
Если вы ищете надёжную и долговечную низкопрофильную линейную каретку, которая сочетает в себе высокую точность и способность работать при средних нагрузках, EGW30SCZAH TECHNIX будет отличным выбором. Она полностью совместима с рельсовыми направляющими шириной 30 мм и является аналогом продукции известных мировых брендов.
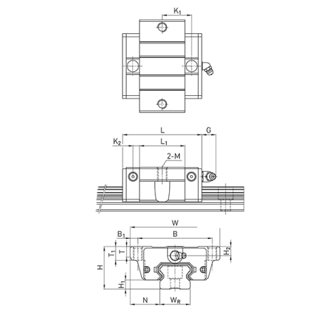
Расшифровка артикула EGW30SCZAH:
- Серия: EG — низкопрофильная;
- Тип каретки: W — фланцевая (широкая);
- Типоразмер: 30 мм;
- Тип нагрузки: S — средняя;
- Тип крепления: C — универсальный;
- Преднатяг: ZA — средний;
- Класс точности: H — высокий.
Применение кареток серии EG:
- оборудование для автоматизации производства;
- медицинские приборы и лабораторное оборудование;
- системы сборки и тестирования;
- лазерные и гравировальные станки;
- устройства для обработки материалов;
- прецизионные системы позиционирования;
- полупроводниковое оборудование.
Технические характеристики:
- Номинальные нагрузки (динамические/статические): от 5,35 до 33,35 кН в зависимости от модели.
- Тип направляющих: четырёхрядные направляющие с рециркуляцией шариков.
- Материал направляющих: сталь с высокой устойчивостью к коррозии.
- Температурный диапазон эксплуатации: от -10°C до +60°C.
- Грузоподъемность: средние нагрузки, оптимальные для использования в станках и устройствах автоматизации.
Преимущества использования кареток EG:
- экономичное решение для линейных перемещений при умеренных нагрузках;
- компактный дизайн, позволяющий использовать каретки в ограниченных по высоте пространствах;
- устойчивость к износу и долговечность;
- простота установки и обслуживания.
Службы доставки в ПВЗ:
- СДЭК
- Boxberry
- Яндекс Доставка
- DPD
Службы доставки курьером:
- Собственная служба доставки
- СДЭК
- Достависта
Подробнее о доставке транспортными компаниями:
1. Доставка через СДЭК
СДЭК – это удобная и быстрая доставка по всей России. Вы можете выбрать один из вариантов:
- Доставка до пункта выдачи – ваш заказ будет доставлен в ближайший к вам офис СДЭК, где его можно забрать в удобное время.- Курьерская доставка – заказ привезут прямо к вам домой или в офис.
Сроки доставки зависят от региона и рассчитываются индивидуально при оформлении заказа.*
2. Доставка транспортной компанией «Деловые Линии»
Если вам требуется перевозка крупногабаритного или тяжелого груза, мы рекомендуем транспортную компанию «Деловые Линии».
- Доставка возможна в большинство населенных пунктов России.- Вы можете выбрать удобный терминал для самовывоза или заказать адресную доставку.
Стоимость рассчитывается индивидуально в зависимости от веса, габаритов и региона.*
О самовывозе со склада
Вы можете самостоятельно забрать заказ в Санкт-Петербурге по адресу:
📍 Люботинский проспект, 5
Преимущества самовывоза:
✔️ Возможность проверить товар перед получением.
✔️ Отсутствие затрат на доставку.
✔️ Гибкий график выдачи.
✔️ Возможность оплаты заказа банковской картой при получении заказа.
Перед приездом на склад обязательно уточните наличие товара у менеджера.
Доставка осуществляется в пределах территорий Российской Федерации и Республики Беларусь.
*обращаем Ваше внимание, что стоимость доставки рассчитывается согласно тарификациям транспортных компаний и курьерских служб.

