Каретка EGW15SCZAH (низкопрофильная) TECHNIX — это фланцевая линейная каретка, предназначенная для работы в высокоточных и компактных системах линейного перемещения. Эта модель идеально подходит для направляющих шириной 15 мм и используется в ЧПУ-станках, автоматизированных линиях и других устройствах, где требуется высокая точность при ограниченном пространстве. Малая высота каретки и её высокая жёсткость делают её отличным решением для промышленных применений.
Низкопрофильная каретка линейного перемещения EGW15SCZAH выполнена с фланцевым корпусом (W), что обеспечивает большую устойчивость и упрощает установку. Каретка рассчитана на среднюю нагрузку (S), что делает её оптимальной для работы в автоматизированных системах. Преднатяг ZA и класс точности H обеспечивают точность движения и стабильность работы при длительной эксплуатации.
Опорный блок низкопрофильный EGW15SCZAH оснащён универсальным типом крепления (C), который позволяет использовать его как для верхнего, так и для нижнего монтажа, в зависимости от требований системы. Это увеличивает гибкость в проектировании и упрощает установку каретки в различных конструкциях.
Низкопрофильный блок линейного перемещения EGW15SCZAH изготовлен из высококачественных материалов с защитой от износа и загрязнений. Герметичные уплотнители защищают внутренние компоненты от пыли, стружки и других внешних факторов, а система подачи смазки обеспечивает бесперебойную работу на протяжении всего срока службы каретки.
Если вам нужна низкопрофильная линейная каретка, которая сочетает в себе точность, надёжность и долговечность, модель EGW15SCZAH TECHNIX — отличное решение. Она идеально подходит для применения в высокоточных промышленных системах и является аналогом продукции мировых брендов по более выгодной цене.
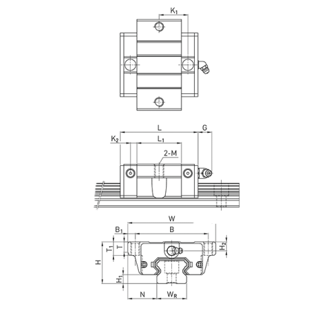
Расшифровка артикула EGW15SCZAH:
- Серия: EG — низкопрофильная;
- Тип каретки: W — фланцевая (широкая);
- Типоразмер: 15 мм;
- Тип нагрузки: S — средняя;
- Тип крепления: C — универсальный;
- Преднатяг: ZA — средний;
- Класс точности: H — высокий.
Применение кареток серии EG:
- оборудование для автоматизации производства;
- медицинские приборы и лабораторное оборудование;
- системы сборки и тестирования;
- лазерные и гравировальные станки;
- устройства для обработки материалов;
- прецизионные системы позиционирования;
- полупроводниковое оборудование.
Технические характеристики:
- Номинальные нагрузки (динамические/статические): от 5,35 до 33,35 кН в зависимости от модели.
- Тип направляющих: четырёхрядные направляющие с рециркуляцией шариков.
- Материал направляющих: сталь с высокой устойчивостью к коррозии.
- Температурный диапазон эксплуатации: от -10°C до +60°C.
- Грузоподъемность: средние нагрузки, оптимальные для использования в станках и устройствах автоматизации.
Преимущества использования кареток EG:
- экономичное решение для линейных перемещений при умеренных нагрузках;
- компактный дизайн, позволяющий использовать каретки в ограниченных по высоте пространствах;
- устойчивость к износу и долговечность;
- простота установки и обслуживания.
Службы доставки в ПВЗ:
- СДЭК
- Boxberry
- Яндекс Доставка
- DPD
Службы доставки курьером:
- Собственная служба доставки
- СДЭК
- Достависта
Подробнее о доставке транспортными компаниями:
1. Доставка через СДЭК
СДЭК – это удобная и быстрая доставка по всей России. Вы можете выбрать один из вариантов:
- Доставка до пункта выдачи – ваш заказ будет доставлен в ближайший к вам офис СДЭК, где его можно забрать в удобное время.- Курьерская доставка – заказ привезут прямо к вам домой или в офис.
Сроки доставки зависят от региона и рассчитываются индивидуально при оформлении заказа.*
2. Доставка транспортной компанией «Деловые Линии»
Если вам требуется перевозка крупногабаритного или тяжелого груза, мы рекомендуем транспортную компанию «Деловые Линии».
- Доставка возможна в большинство населенных пунктов России.- Вы можете выбрать удобный терминал для самовывоза или заказать адресную доставку.
Стоимость рассчитывается индивидуально в зависимости от веса, габаритов и региона.*
О самовывозе со склада
Вы можете самостоятельно забрать заказ в Санкт-Петербурге по адресу:
📍 Люботинский проспект, 5
Преимущества самовывоза:
✔️ Возможность проверить товар перед получением.
✔️ Отсутствие затрат на доставку.
✔️ Гибкий график выдачи.
✔️ Возможность оплаты заказа банковской картой при получении заказа.
Перед приездом на склад обязательно уточните наличие товара у менеджера.
Доставка осуществляется в пределах территорий Российской Федерации и Республики Беларусь.
*обращаем Ваше внимание, что стоимость доставки рассчитывается согласно тарификациям транспортных компаний и курьерских служб.

