ОПУ стандартной серии с двумя рядами шариков EB2.25.0821.400-1RPPN TECHNIX представляет собой двухрядное шариковое опорно‑поворотное устройство с наружным зубчатым венцом, ориентированное на работу под очень высокими комбинированными нагрузками. Два ряда шариков и увеличенная высота по сравнению с однорядными сериями обеспечивают повышенную грузоподъемность и жесткость узла, что особенно важно для тяжелых кранов, платформ и технологических агрегатов с большими опрокидывающими моментами.
Устройство и конструкция
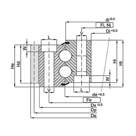
ОПУ EB2.25.0821.400-1RPPN состоит из внутреннего и наружного колец из высокопрочной стали с закаленными дорожками качения и двумя рядами шариков, образующих восемь точек контакта для равномерного восприятия осевых, радиальных нагрузок и моментов опрокидывания. Между шариками установлены сепараторы из износостойкого полимера, предотвращающие взаимное трение тел качения и обеспечивающие стабильное распределение нагрузки по окружности. На наружном кольце выполнен зубчатый венец с внешним зацеплением, рассчитанный на передачу высоких крутящих моментов от приводной шестерни и согласованный с типовыми редукторами поворотных механизмов. По окружности колец предусмотрены монтажные отверстия под болтовое крепление, а само устройство поставляется предварительно смазанным, снабжено двухсторонними уплотнениями и допускает дозаправку смазкой через пресс‑масленки.
Расшифровка наименования
- EB2 – стандартная серия опорно‑поворотных устройств с двумя рядами шариков и наружным зубчатым венцом.
- 25 – размерный ряд с повышенной несущей способностью и увеличенной высотой по сравнению с рядом 20.
- 0821 – типоразмер, определяющий комбинацию внутреннего и наружного диаметров, число монтажных отверстий и расположение зубчатого венца.
- 400 – исполнение по высоте и конструктивной схеме, характеризующееся увеличенной высотой кольца и диаметром посадочных поверхностей.
- 1RPPN – два ряда шариков, исполнение с усиленными уплотнениями и смазкой, наружное зацепление зубчатого венца.
Применяемость на практике
- Используется в поворотных узлах, где однорядные ОПУ уже недостаточны по грузоподъемности и жесткости, а требуется устойчивое восприятие высоких опрокидывающих моментов.
- Подходит для механизмов, работающих в непрерывном или многосменном режиме под переменными нагрузками, с частыми циклами пуска, останова и реверса.
- Рекомендуется для конструкций с крупным диаметром поворотного узла, где важно равномерное распределение усилий по окружности и минимизация деформаций силового каркаса.
- Обеспечивает высокий ресурс и надежную работу при условии соблюдения регламента смазки, контроля момента затяжки крепежных болтов и регулярного осмотра зубчатого венца.
Сферы применения
- Тяжелые строительные, портальные и судовые краны, перегружатели и подъемно‑транспортные комплексы с крупными поворотными платформами.
- Карьерные и горнодобывающие машины, экскаваторы, буровые установки и другое оборудование с большими стрелами и массивными поворотными узлами.
- Крупные поворотные столы, кантователи, смесители и барабанные агрегаты, где требуется повышенная жесткость и устойчивость опорно‑поворотного узла.
- Энергетическое и специализированное промышленное оборудование, для которого критичны высокий запас прочности, долговечность и надежность поворотной опоры.
Службы доставки в ПВЗ:
- СДЭК
- Boxberry
- Яндекс Доставка
- DPD
Службы доставки курьером:
- Собственная служба доставки
- СДЭК
- Достависта
Подробнее о доставке транспортными компаниями:
1. Доставка через СДЭК
СДЭК – это удобная и быстрая доставка по всей России. Вы можете выбрать один из вариантов:
- Доставка до пункта выдачи – ваш заказ будет доставлен в ближайший к вам офис СДЭК, где его можно забрать в удобное время.- Курьерская доставка – заказ привезут прямо к вам домой или в офис.
Сроки доставки зависят от региона и рассчитываются индивидуально при оформлении заказа.*
2. Доставка транспортной компанией «Деловые Линии»
Если вам требуется перевозка крупногабаритного или тяжелого груза, мы рекомендуем транспортную компанию «Деловые Линии».
- Доставка возможна в большинство населенных пунктов России.- Вы можете выбрать удобный терминал для самовывоза или заказать адресную доставку.
Стоимость рассчитывается индивидуально в зависимости от веса, габаритов и региона.*
О самовывозе со склада
Вы можете самостоятельно забрать заказ в Санкт-Петербурге по адресу:
📍 Люботинский проспект, 5
Преимущества самовывоза:
✔️ Возможность проверить товар перед получением.
✔️ Отсутствие затрат на доставку.
✔️ Гибкий график выдачи.
✔️ Возможность оплаты заказа банковской картой при получении заказа.
Перед приездом на склад обязательно уточните наличие товара у менеджера.
Доставка осуществляется в пределах территорий Российской Федерации и Республики Беларусь.
*обращаем Ваше внимание, что стоимость доставки рассчитывается согласно тарификациям транспортных компаний и курьерских служб.

