ОПУ фланцевой серии EBL.20.1094.200-1STPN TECHNIX - однорядный шариковый опорно-поворотный подшипник с наружным зубчатым венцом и габаритами 984x1198x56 мм, предназначенный для работы в особо нагруженных поворотных узлах крупного промышленного, энергетического и подъёмного оборудования.
Фланцевое наружное кольцо, масса около 87 кг и зубчатое зацепление модулем 8 со 148 зубьями обеспечивают передачу высоких крутящих моментов и устойчивость к длительной эксплуатации в тяжёлых режимах.
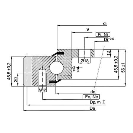
Устройство и конструкция
- Внутреннее и наружное кольца из стали 45 с закалёнными дорожками качения, рассчитанные на значительные осевые и радиальные нагрузки при увеличенном опорном диаметре.
- Один ряд стальных шариков в сепараторе, обеспечивающий плавность вращения, равномерное распределение нагрузки и устойчивость к ударным воздействиям.
- Фланцевое наружное кольцо с двадцатью двумя крепёжными отверстиями по делительной окружности для жёсткого монтажа подшипника к раме или поворотной платформе.
- Внутреннее кольцо с посадочным диаметром 984 мм и двадцатью крепёжными отверстиями, позволяющее надёжно фиксировать поворачиваемую конструкцию и воспринимать опрокидывающие моменты.
- Наружный зубчатый венец модуля 8 со 148 зубьями, согласованный с редукторами крупного типоразмера и рассчитанный на передачу высоких окружных усилий.
Расшифровка наименования
- EBL - фланцевая серия однорядных шариковых опорно-поворотных устройств с наружным зацеплением.
- 20 - размерный ряд и класс грузоподъёмности, ориентированный на использование в тяжёлых и среднетяжёлых механизмах.
- 1094.200 - код присоединительных размеров, отражающий сочетание крупного опорного диаметра, параметров фланцев и схемы расположения крепёжных отверстий.
- 1 - базовое конструктивное исполнение по высоте и компоновке колец в линейке EBL.
- STPN - обозначение варианта термообработки, точности изготовления и типа сепаратора, определяющее ресурс подшипника и стабильность параметров зубчатого венца.
Применяемость на практике
ОПУ EBL.20.1094.200-1STPN применяют в поворотных платформах тяжёлых кранов, экскаваторов, ветроэнергетических установок, перегрузочных комплексов и крупногабаритных манипуляторов, где требуется максимальная несущая способность, большой диаметр опоры и надёжная передача крутящего момента при длительной непрерывной работе.
Сферы применения
- Строительная и подъёмная техника с поворотными платформами и консолями.
- Поворотные столы и позиционеры станков, сварочных и сборочных установок.
- Промышленные манипуляторы, кантователи и перегрузочное оборудование.
- Специализированные машины и установки с необходимостью точного поворота рабочих органов.
Службы доставки в ПВЗ:
- СДЭК
- Boxberry
- Яндекс Доставка
- DPD
Службы доставки курьером:
- Собственная служба доставки
- СДЭК
- Достависта
Подробнее о доставке транспортными компаниями:
1. Доставка через СДЭК
СДЭК – это удобная и быстрая доставка по всей России. Вы можете выбрать один из вариантов:
- Доставка до пункта выдачи – ваш заказ будет доставлен в ближайший к вам офис СДЭК, где его можно забрать в удобное время.- Курьерская доставка – заказ привезут прямо к вам домой или в офис.
Сроки доставки зависят от региона и рассчитываются индивидуально при оформлении заказа.*
2. Доставка транспортной компанией «Деловые Линии»
Если вам требуется перевозка крупногабаритного или тяжелого груза, мы рекомендуем транспортную компанию «Деловые Линии».
- Доставка возможна в большинство населенных пунктов России.- Вы можете выбрать удобный терминал для самовывоза или заказать адресную доставку.
Стоимость рассчитывается индивидуально в зависимости от веса, габаритов и региона.*
О самовывозе со склада
Вы можете самостоятельно забрать заказ в Санкт-Петербурге по адресу:
📍 Люботинский проспект, 5
Преимущества самовывоза:
✔️ Возможность проверить товар перед получением.
✔️ Отсутствие затрат на доставку.
✔️ Гибкий график выдачи.
✔️ Возможность оплаты заказа банковской картой при получении заказа.
Перед приездом на склад обязательно уточните наличие товара у менеджера.
Доставка осуществляется в пределах территорий Российской Федерации и Республики Беларусь.
*обращаем Ваше внимание, что стоимость доставки рассчитывается согласно тарификациям транспортных компаний и курьерских служб.

